Sunday, July 24, 2016
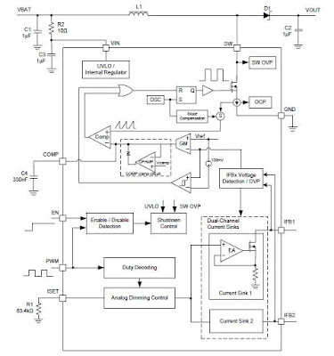
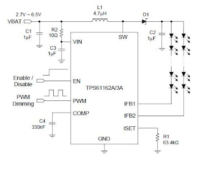
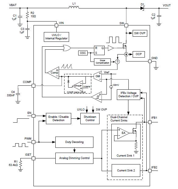
backlight အိုင္စီေလးရဲ႔အတြင္းပတ္လမ္းနဲ ႔ သူ ့ရဲ႕အလုပ္လုပ္ပုံေလးပါ
Posted By: Unknown - 1:05 AMAbout Unknown
Magazine Power Theme is officially developed by Templatezy Team. We published High quality Blogger Templates with Awesome Design for blogspot lovers.The very first Blogger Templates Company where you will find Responsive Design Templates.
Subscribe to:
Post Comments (Atom)



SOCIALIZE IT →